Mar fhiontar gairmiúil Micrimhilseogra CRUA le Cluaisíní Preas-Fit agus Sádrála le 35 bliain de thaithí i ndéantúsaíocht lasc, díríonn Yueqing Tongda Wire Electric Factory ar 'saincheapadh éileamh-tiomáinte, teicneolaíocht a chinntíonn sábháilteacht' agus, ag díriú ar phríomhtháirgí cosúil le Lasca Rocker, Brúigh Cnaipe Dearg, Micrimhilseogra NO/NC, agus Brúigh Button NCs, soláthraíonn sé lasc saincheaptha agus cliste baile d'earnálacha tionsclaíocha éagsúla, lasca saincheaptha agus cliste san áireamh. Le nuálaíocht teicneolaíochta agus rialú cáilíochta dian, tá sé ina thagarmharc i réimse na lasca saincheaptha.
Réamhrá Athraigh Micrimhilseogra

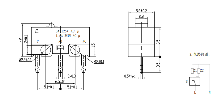
Paraiméadar Micrimhilseogra (Sonraíocht)
| ITEM | Príomhpharaiméadair Theicniúla |
| 1 | Rátáil Leictreach :3A 250VAC |
| 2 | Saolré leictreach: Min.10000 timthriallta |
| 3 | Friotaíocht Teagmhála:<50mΩ |
| 4 | Fórsa oibriúcháin: 70 ± 20gf |
| 5 | Suíomh saor in aisce: 7.3 ± 0.2mm |
| 6 | Seasamh oibriúcháin: 7.0 ± 0.2mm |
| 7 | Teocht chomhthimpeallach: T85° |
| 8 | Voltas a sheasamh :Idir críochfort agus críochfort 500V/5S/5mA; |
| Idir teirminéil agus cás 1500/5S/5mA | |
| 9 | Friotaíocht Inslithe:> 100MΩ Voltas Tástála 500VDC |
| 10 | Innéacs Rianaithe Cruthúnas PTI :175V |
Sonraí Athraigh Micrimhilseogra
