Mar tháirge ionadaíoch de Ghléasra Cumhachta Cábla Yueqing Tongda a chuimsíonn comhtháthú lárnacha caighdeánaithe agus saincheaptha, tá an t-athrú Athraigh Micrimhilseogra Téitheoir Uisce Gáis agus Sorn Gáis deartha leis na prionsabail lárnacha "cobhsaíocht, iontaofacht, agus comhoiriúnacht radharc." Cuimsíonn sé 35 bliain de shaineolas déantúsaíochta lasc na cuideachta, ag baint amach il-uasmhéadú i bhfeidhmíocht leictreach, leibhéil chosanta, agus taithí úsáideora. Tá an lasc infheidhme go forleathan maidir le cásanna cosúil le dáileadh cumhachta baile cliste, trealamh cúnta tionsclaíoch, agus ionstraimí leighis beaga, rud a fhágann go bhfuil sé ina chomhpháirt rialaithe ciorcaid roghnaithe a chothromaíonn uilíocht le cumas saincheaptha.
Athraigh MicrimhilseograRéamhrá
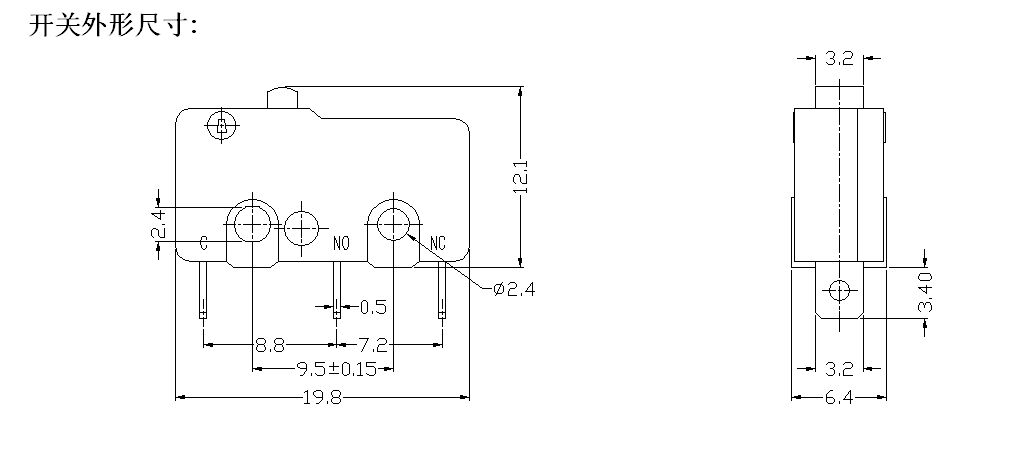
Díríonn an lasc HK-04G-L ar riachtanais phraiticiúla do phríomh-pharaiméadair, ag comhlíonadh bunchaighdeáin rialaithe le haghaidh cásanna éagsúla. Déantar na teagmhálacha de chóimhiotail airgid-stáin agus próiseáilte le táthú cruinneas, le friotaíocht teagmhála tosaigh ≤8mΩ. Féadann sé 10A-16A AC reatha (voltas rátáilte 250V AC) a iompar go hiontaofa, atá oiriúnach d'éilimh chumhachta an chuid is mó de na feistí tionsclaíocha tí agus beaga, rud a chosc go héifeachtach saincheisteanna teagmhála róthéamh nó creimeadh de bharr ró-ualach reatha.
Tá feidhmíocht an truicear agus an saolré chomh hiontaofa céanna: úsáideann sé struchtúr truicear de chineál rocker, le taisteal brú 1.3-1.6mm agus fórsa oibriúcháin á rialú laistigh de 1.5-3N. Tá an t-aiseolas gníomhachtaithe soiléir agus réidh, rud a fhágann nach dócha go n-éireoidh le húsáid laethúil "brú neamhfhreagrach." Sroicheann an saolré meicniúil 80,000 timthriallta brú, agus tá an saolré leictreach níos mó ná 50,000 timthriall. I bhfeistí úsáide ard-minicíochta mar chuisneoirí, lucht leanúna beag, agus printéirí tráchtála, is féidir leis oibriú cobhsaí a bhaint amach ar feadh 3-5 bliana.
Comhlíonann inoiriúnaitheacht timpeallachta riachtanais ghnáthchásanna: Feidhmíonn an táirge laistigh de raon teochta -30 ° C go 80 ° C, in ann teocht íseal a láimhseáil sa gheimhreadh thuaidh agus coinníollacha diomailt teasa sa samhradh; Tá friotaíocht inslithe ≥50MΩ (500VDC), agus sroicheann an voltas teirminéil sheasamh 800V AC, a chomhlíonann na caighdeáin sábháilteachta leictreachais le haghaidh úsáid tí agus tráchtála. Ina theannta sin, tá an cásáil déanta as ábhar ABS lasair-retardant (ag cloí le UL94 V-1), ag laghdú na rioscaí sábháilteachta de bharr ciorcaid ghearr.
Athraigh MicrimhilseograIarratas
I gcásanna cliste baile agus tí, is féidir an HK-04G-L, lena mhéid dlúth (thart ar 20 × 15 × 10mm, L × W × H), a chomhtháthú go héasca i mboscaí dáileadh cliste, soicéid balla, agus painéil rialaithe fearas beag. Faoi láthair tá sé ina chomhpháirt a úsáideann brandaí baile cliste iolracha le haghaidh feidhmeanna cosúil le rialú soilsithe agus aistriú cumhachta fearas. Thuairiscigh branda amháin go bhfuil ráta teip na dtáirgí atá feistithe leis 40% níos ísle ná lasca traidisiúnta.
I gcásanna tionsclaíocha agus tráchtála ar scála beag, tá an táirge oiriúnach le haghaidh rialú cumhachta ar threalamh iompair bheaga, meaisíní caife tráchtála, printéirí oifige agus feistí eile. Trí struchtúr nasc an chríochfoirt a bharrfheabhsú, tacaíonn sé le suiteáil sreangú tapa, feabhas a chur ar éifeachtacht cóimeála gléas. Roimhe seo, chomhlíon leagan saincheaptha do mhonaróir fearas tráchtála, trí spásáil an chríochfoirt a choigeartú, ceanglais sreangú inmheánacha dlúth a gcuid trealaimh, feabhas a chur ar éifeachtacht suiteála 25%.
Athraigh Micrimhilseogra Sonraíocht
| Athraigh Saintréithe Teicniúla: | |||
| ITEM | Paraiméadar Teicniúil | Luach | |
| 1 | Rátáil Leictreach | 5(2)A 125V/250VAC 10(3)125V/250VAC | |
| 2 | Teagmháil Friotaíocht | ≤50mΩ Luach tosaigh | |
| 3 | Friotaíocht Inslithe | ≥100mΩ (500VDC) | |
| 4 |
Tréleictreach Voltas |
Idir críochfoirt neamhcheangailte |
500V/0.5mA/60S |
| Idir críochfoirt agus an fráma miotail |
1500V/0.5mA/60S | ||
| 5 | Saol Leictreach | ≥10000 timthriallta | |
| 6 | Saol Meicniúla | ≥100000 timthriallta | |
| 7 | Teocht Oibriúcháin | -25 ~ 125 ℃ | |
| 8 | Minicíocht Oibriúcháin | Leictreach: 15 thimthriall Meicniúil: 60 timthriall |
|
| 9 | Cruthúnas ar Chreathadh | Minicíocht Chreathadh: 10 ~ 55HZ; Aimplitiúid: 1.5mm; Trí threoir: 1H |
|
| 10 | Cumas Sádrála : Níos mó ná 80% den chuid tumtha clúdaithe le solder |
Teocht sádrála: 235 ± 5 ℃ Am Tumtha :2~3S |
|
| 11 | Friotaíocht Teasa Soilire | Tum-sádráil: 260 ± 5 ℃ 5±1S Sádráil láimhe: 300 ± 5 ℃ 2~ 3S |
|
| 12 | Ceaduithe Sábháilteachta | UL, CSA, VDE, ENEC, CE | |
| 13 | Coinníollacha Tástála | Teocht Chomhthimpeallach: 20 ± 5 ℃ Taise Choibhneasta: 65±5% RH Brú Aeir: 86~106KPa |
|
Tongda Wire Electric Athraigh Cumhacht Inlíne Micrimhilseogra USB Sonraí

