Mar an tsamhail tagarmharcála de shraith lasc micrea Yueqing Tongda Wire Electric Factory, tá "íogaireacht ard, saolré ultra-fhada, agus inoiriúnaitheacht il-cás" mar chuid de na buntáistí lárnacha ag an Oighinn MICREATHONNACH HK-14 de ghnáth. Agus 35 bliain de shaineolas déantúsaíochta lasc na cuideachta á gcomhtháthú aige, tá sé ina phríomh-chomhpháirt rialaithe i bhfearais tí, leictreonaic feithicleach, uathoibriú tionsclaíoch, agus réimsí eile, a bhuíochas dá bhearna teagmhála íosta agus meicníocht mearghníomhaíochta. Tá a fheidhmíocht agus a hiontaofacht deimhnithe ag eagraíochtaí údarásacha iolracha ar fud an domhain, rud a chinntíonn a suíomh príomhshrutha sa mhargadh nideoige.
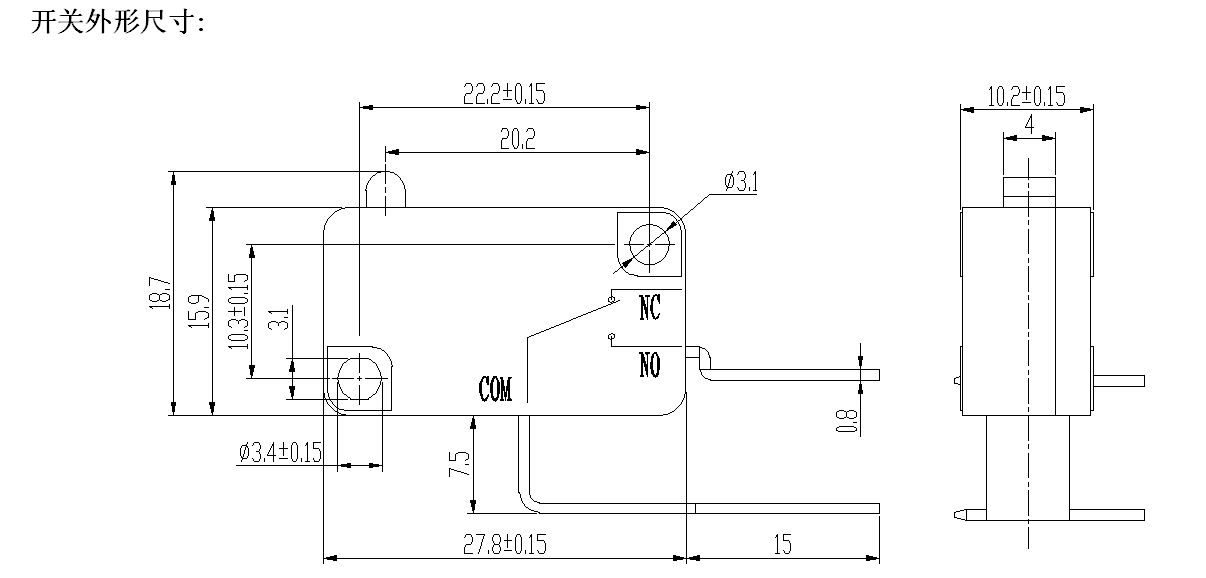
Réamhrá Athraigh Micrimhilseogra
Tá córas bainistíochta cáilíochta cuimsitheach bunaithe ag Yueqing Tongda a chlúdaíonn an próiseas iomlán ó 'amhábhar - táirgeadh - táirgí críochnaithe.' Déanann an tsraith HK-14 16 croíthástálacha ó ollstóráil amhábhar go loingsiú táirgí críochnaithe, lena n-áirítear tástáil friotaíochta teagmhála, tástáil feidhmíochta inslithe, tástáil friotaíochta voltais, tástáil timthriall teocht ard agus íseal, tástáil brú marthanachta, tástáil spraeála salainn, tástáil creathadh, agus níos mó. I gcás gach baisc de tháirgí, roghnaítear 3% go randamach le haghaidh tástála teorann millteach chun ráta pas mhonarcha 100% a chinntiú. Tá an chuideachta feistithe le 20 línte táirgeachta beachtas uathoibrithe go hiomlán, chomh maith le trealamh tástála chun cinn idirnáisiúnta (cosúil le meaisín tomhais comhordanáidí Zeiss ón nGearmáin agus tástálaí feidhmíochta leictreach Fluke ó SAM) chun cruinneas an táirge agus cobhsaíocht feidhmíochta a chinntiú.
Samhlacha Coitianta agus Cásanna Feidhmchláir:
HK-14-1X-16A-P-200: Oscailte de ghnáth, 16A 250VAC, slat actuator sorcóir miotail - oiriúnach le haghaidh rialú teorainn taistil ar línte táirgeachta uathoibrithe tionsclaíocha, laghdaíonn dearadh sorcóir caitheamh meicniúil
HK-14-1-16AP-715: De ghnáth dúnta, 16A 250VAC, slat actuator sorcóir hinge gearr - oiriúnach le haghaidh truicearú beacht i dtrealamh tástála leighis, cinntíonn dearadh dúnta de ghnáth sábháilteacht trealaimh nuair a thiomáintear as é
HK-14-16AP-605: Cineál athraithe, 16A 250VAC, dearadh teocht leathan - oiriúnach le haghaidh lasca monatóireachta teochta i bpacáistí ceallraí feithiclí fuinnimh nua, -40 ° C ~ 125 ° C raon teochta leathan oireann do thimpeallachtaí foircneacha ar bord
HK-14-1X-5A-320: Oscailte de ghnáth, 5A 250VAC, slat actuator cineál cnaipe - oiriúnach le haghaidh lasca doras oigheann micreathonn, brú sofhreagrach, cosaint sábháilteachta ardleibhéil
Cásanna Feidhmchláir
Fearais Baile: Rialú doras micreathonn, rialú clár meaisín níocháin, coigeartú luas lucht leanúna an oiriúntóra aer, ag cinntiú oibriú sábháilte trealaimh
Uathoibriú Tionsclaíoch: Suíomh líne táirgeachta, rialú teorann robot, rialú tosaithe iompair, feabhas a chur ar éifeachtacht táirgthe 35%
Leictreonaic Feithicleach: Ardú fuinneoige gluaisteán, coigeartú suíocháin, braite stoc, oiriúnach do thimpeallachtaí crua laistigh den fheithicil
Feistí Leighis: Rialú trealaimh mháinliachta, spreagadh comhartha ionstraim braite, ag comhlíonadh caighdeáin sábháilteachta grád leighis
Tionscal Míleata: Rialú trealaimh airm, aistriú gléas cumarsáide, oiriúnú do dhálaí foircneacha oibre agus riachtanais ard-iontaofachta
Paraiméadar Micrimhilseogra (Sonraíocht)
| Athraigh Saintréithe Teicniúla: | |||
| ITEM | Paraiméadar Teicniúil | Luach | |
| 1 | Rátáil Leictreach | 5(2)A/10A/16(3)A/21(8)A 250VAC | |
| 2 | Teagmháil Friotaíocht | ≤30mΩ Luach tosaigh | |
| 3 | Friotaíocht Inslithe | ≥100mΩ (500VDC) | |
| 4 |
Tréleictreach Voltas |
Idir críochfoirt neamhcheangailte |
1000V/0.5mA/60S |
|
Idir críochfoirt agus an fráma miotail |
3000V/0.5mA/60S | ||
| 5 | Saol Leictreach | ≥50000 timthriallta | |
| 6 | Saol Meicniúil | ≥1000000 timthriallta | |
| 7 | Teocht Oibriúcháin | -25 ~ 125 ℃ | |
| 8 | Minicíocht Oibriúcháin |
leictreach :15 thimthriall Meicniúil: 60 timthriall |
|
| 9 | Cruthúnas ar Chreathadh |
Minicíocht Chreathadh: 10~55HZ; Aimplitiúid: 1.5mm; Trí threoir: 1H |
|
| 10 |
Cumas Sádrála : Níos mó ná 80% den chuid tumtha clúdaithe le solder |
Teocht sádrála: 235 ± 5 ℃ Am Tumtha :2~3S |
|
| 11 | Friotaíocht Teasa Soilire |
Tum-sádráil: 260 ± 5 ℃ 5±1S Sádráil Láimhe: 300 ± 5 ℃ 2~ 3S |
|
| 12 | Ceaduithe Sábháilteachta | UL, CSA, VDE, ENEC, TUV, CE, KC, CQC | |
| 13 | Coinníollacha Tástála |
Teocht Chomhthimpeallach: 20 ± 5 ℃ Taise Choibhneasta: 65±5% RH Brú Aeir: 86 ~ 106KPa |
|
Gné agus Feidhmchlár Athraigh Micrimhilseogra
Sonraí Athraigh Micrimhilseogra

