Tá eatramh beag teagmhála agus meicníocht ghníomhaíochta gasta ag an gcnaipe cnaipe breiseán i gcodanna uathoibríoch, agus tá an mheicníocht teagmhála chun gníomh a athrú leis an stróc sonraithe agus an fórsa clúdaithe ag an mblaosc, agus tá tarchur ar an taobh amuigh, agus tá an cruth beag.
Toradh Cuir isteachuction
Is comhpháirt leictreonach coitianta é lasca micrea-go-push a úsáidtear chun staid ar agus lasmuigh den chiorcad a rialú. Is iondúil go mbíonn cnaipe agus lasc ann a athraíonn a lua nuair a bhrúitear an cnaipe.
Is féidir le lasca cnaipe brú a úsáid, nuair a bhrúitear an cnaipe, beidh an cnaipe ag blink chun aird an úsáideora a mhealladh.
Toradh Iarratasóirtion agus sonraíocht
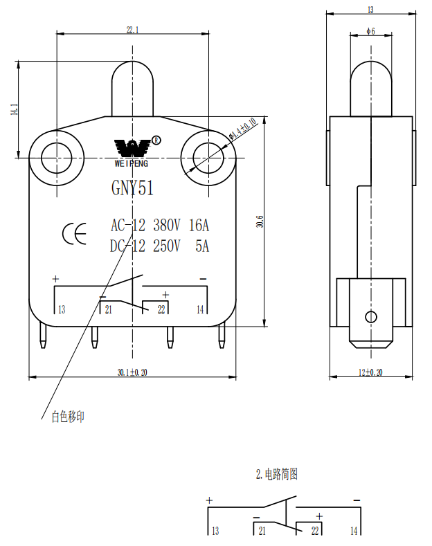
Cineál an cholúin Plug Is féidir micrea -lasca a úsáid chun an solas a rialú, nuair a bhrúitear an cnaipe, casfaidh an solas air nó as. Is féidir é a úsáid freisin chun athrú trealaimh leictreach, oiriúntóir aeir, srl. Sa réimse tionsclaíoch, úsáidtear lasca cnaipe brú go forleathan chun tús agus stad an trealaimh mheicniúil a rialú. Cibé an bhfuil sé ina threalamh teaghlaigh, tionsclaíoch, feithicleach nó leictreonach, tá sé doscartha ón gcomhpháirt rialaithe simplí seo.
| Tréithe teicniúla a athrú: | |||
| Mír | Paraiméadar teicniúil | Luach | |
| 1 | Rátáil leictreach | 16A 250VAC | |
| 2 | Friotaíocht Teagmhála | Luach tosaigh ≤50mΩ | |
| 3 | Friotaíocht inslithe | ≥100mΩ (500VDC) | |
| 4 |
Tréleictreach Voltas |
Idir críochfoirt neamh-nasctha |
500V/0.5mA/60S |
| Idir críochfoirt agus an fráma miotail |
1500V/0.5mA/60S | ||
| 5 | Saol leictreach | ≥50000 timthriall | |
| 6 | Saol meicniúil | ≥100000 timthriall | |
| 7 | Teocht oibriúcháin | -25 ~ 125 ℃ | |
| 8 | Minicíocht oibriúcháin | Leictreach: 15 timthriall Meicniúil: 60 timthriall |
|
| 9 | Cruthúnas creathaidh | Minicíocht chreathaidh: 10 ~ 55Hz; Aimplitiúid: 1.5mm; Trí threo: 1h |
|
| 10 | Cumas sádrála: Níos mó ná 80% den chuid tumtha clúdófar é le sádróir |
Teocht sádrála: 235 ± 5 ℃ Am tumtha: 2 ~ 3s |
|
| 11 | Friotaíocht teasa sádróra | Sádráil snámh: 260 ± 5 ℃ 5 ± 1s Sádráil láimhe: 300 ± 5 ℃ 2 ~ 3s |
|
| 12 | Ceaduithe sábháilteachta | Ul 、 CSA 、 TUV 、 CQC 、 CE CE | |
| 13 | Coinníollacha tástála | Teocht chomhthimpeallach: 20 ± 5 ℃ Taiseachas coibhneasta: 65 ± 5%RH Brú Aeir: 86 ~ 106kpa |
|
Toradh Na sonraíleas sonraithe


