Baile > Táirgí > Athraigh Micrimhilseogra uiscedhíonach > Uiscedhíonach Athraigh Micrimhilseogra Dlúth Ultra
Uiscedhíonach Athraigh Micrimhilseogra Dlúth Ultra
  • Uiscedhíonach Athraigh Micrimhilseogra Dlúth UltraUiscedhíonach Athraigh Micrimhilseogra Dlúth Ultra

Uiscedhíonach Athraigh Micrimhilseogra Dlúth Ultra

Tá eatramh teagmhála beag agus meicníocht gníomhaíochta tapa ag Uiscedhíonach Micro Switch Ultra Compact, agus tá an mheicníocht teagmhála chun gníomh a athrú leis an stróc agus an fórsa sonraithe clúdaithe ag an bhlaosc, agus tá tarchur ar an taobh amuigh, agus tá an cruth beag.

Mionsamhail:FSK-20-586

Seol Fiosrúchán

Cur síos ar an Táirge

GAIRM®is ceannródaítSín monarúrs, suppliers agus onnmhaireoir Uiscedhíonach Micrimhilseogra Switch Ultra Compact

Táirge Tabhair isteachceant 


Tá an lasc micrea uiscedhíonach séalaithe seo oiriúnach le haghaidh lasca rialaithe i dtithe cliste. Is féidir leis rialú iargúlta soilse, cuirtíní, glais dorais, etc.De ghnáth déantar micrea-lasca uiscedhíonach a dhearadh le torann íseal. Nuair a bhíonn lasc uiscedhíonach á úsáid agat, seachain an iomarca fórsa nó ró-bheagán fórsa.Seachain creathadh iomarcach nó imbhualadh an lasc uiscedhíonach.Seachain ag baint úsáide as damáiste lasc uiscedhíonach, ba chóir a chur in ionad in am.Má tá mion-lasc an trealaimh leighis neamhghnácha nó mífheidhmithe, ba cheart é a dhíghníomhachtú láithreach agus ba cheart cúnamh cothabhála gairmiúil a lorg.Cloí leis na rialacháin agus na caighdeáin sábháilteachta leictreachais ábhartha i do thír nó i do réigiún.

Gnéithe seo 30 Volt Rocker Switch struchtúr teagmhála briseadh dúbailte, teicneolaíocht múchta stua tapa, agus feidhm cosanta ró-ualach, ag cinntiú feidhmíocht shábháilte. Tá sé feistithe le meicníocht earrach de ghrád míleata agus struchtúr glasála inmheánach frith-chreathadh, rud a fhágann go bhfuil sé iontaofa i gcáilíocht.


Tongda Monarcha Ceisteanna Coitianta




C1.: An bhfuil aon deimhniú agat faoi do mhonarcha nó do tháirgí?

A1: Ar ndóigh, tá córas láidir deimhnithe againn, mar IATF16949, ISO14001, UL, TUV, VDE, Rohs, Reach agus formheasanna gaolmhara.


Q2.What é do pholasaí samplach?

A2: D'fhéadfaí sampla saor in aisce a sholáthar laistigh de 3 lá, ach ba cheart don chustaiméir muirear sainráite a íoc.


C3. Cad é do théarmaí pacála?

A3: Go ginearálta, pacáimid earraí i mboscaí neodracha agus cartáin donn, nó saincheaptha má shroicheann qty.


C4. Cad é do théarmaí íocaíochta?

A4: Go coitianta, T / T 30% mar thaisce, agus 70% sula seachadadh., más é an méid> 2000USD



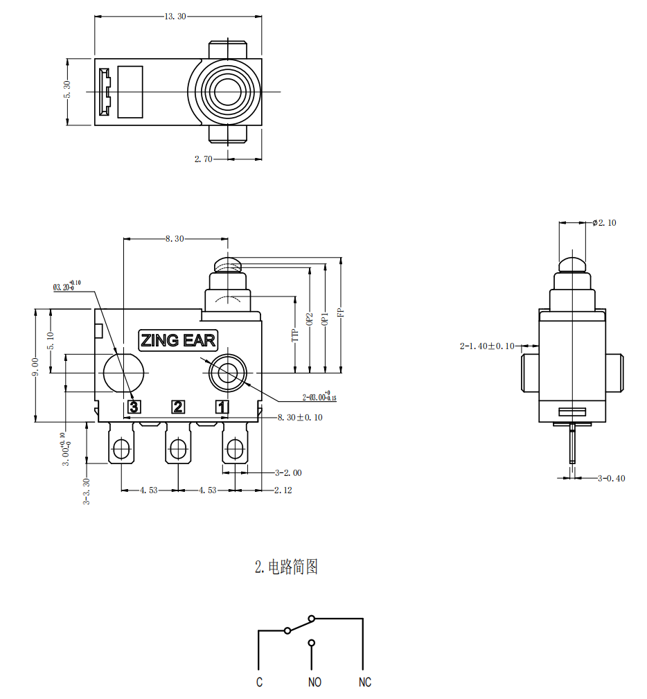
TáirgeSonraíocht

Athraigh Saintréithe Teicniúla:
ITEM Paraiméadar teicniúil Luach
1 Rátáil Leictreach 10mA 14V DC/0.1A 30VDC
2 Fórsa Oibriúcháin ≤1.5N
6 Saol Leictreach ≥50000 timthriallta
7 Saol Meicniúla ≥100000 timthriallta
8 NÍL (Suíomh Oibriúcháin) Aimplitiúid: 1.5mm
9 NC(Suíomh Oibriúcháin) 8.7±0.3mm
10 Cruthúnas ar Chreathadh Minicíocht Chreathadh: 10 ~ 55HZ
Aimplitiúid: 1.5mm
Trí threoir: 1H
11 Cumas Solder: Níos mó ná 80% den chuid tumtha
clúdaithe le solder
Teocht sádrála: 235 ± 5 ℃
Am Tumtha :2~3S
12 Friotaíocht Teasa Soilire Tum-sádráil: 260 ± 5 ℃ 5±1S
Sádráil láimhe: 300 ± 5 ℃ 2~ 3S
13 Coinníollacha Tástála Teocht Chomhthimpeallach: 20 ± 5 ℃
Taise Choibhneasta: 65±5% RH
Brú Aeir: 86 ~ 106KPa


Sonraí Táirges




Hot Tags: Uiscedhíonach Athraigh Micrimhilseogra Dlúth Ultra
Catagóir Gaolmhar
Seol Fiosrúchán
Ná bíodh drogall ort d’fhiosrúchán a thabhairt san fhoirm thíos. Tabharfaimid freagra duit i 24 uair an chloig.
X
Úsáidimid fianáin chun eispéireas brabhsála níos fearr a thairiscint duit, chun anailís a dhéanamh ar thrácht an tsuímh agus chun inneachar a phearsantú. Trí úsáid a bhaint as an suíomh seo, aontaíonn tú lenár n-úsáid a bhaint as fianáin. Beartas Príobháideachta
Diúltaigh Glac